DSP4041-DDP4041-RSP4041-RDP4041 Parts
DSP4041-DDP4041-RSP4041-RDP4041 Parts
For the most current information, visit the Roadranger web site at www.roadranger.com
TABLE OF CONTENTS
TABLE OF CONTENTS
General Information .................................2 Carrier Mounting Flange Design Change .......17
How To Use Illustrated Parts List..................................2 New Axle Housing Fasteners ...................................... 17
Model Identification ......................................................3 Axle Housing Fasteners .............................................. 18
Identification .........................................4 Casting & Service Parts Cross-Reference Listing ....... 19
Forward Axle Parts Explode ........................5 Axle Shafts ..........................................20
Forward Axle Parts List .............................7 Gear & Pinion Kits .................................21
Wheel Differential Lock Assembly .............. 10 Exchange Carriers - Single Reduction ..........23
Rear Axle Parts Explode .......................... 11 DSP40 / DSP41 .......................................................... 23
DSP40-P / DSP41-P ................................................... 23
Rear Axle Parts List ............................... 12
RSP40 / RSP41 .......................................................... 23
Bearing Spacers ................................... 14
DDP40 / DDP41.......................................................... 24
DSP/DDP40-(P), 41(P) ...............................................14
DDP40-P / DDP41-P................................................... 24
RSP/RDP40, 41 ..........................................................14
RDP40 / RDP41.......................................................... 24
Output Shaft & Axle Housing Parts Explode ... 15 Yokes & Flanges ...................................25
Output Shaft & Axle Housing Parts List ........ 16 DSP40/RSP40 Series.................................................. 25
Oil Seal Installation Tools ........................26
1
General Information
General Information
How To Use Illustrated Parts List
Ordering Parts • Diff - Differential
• This parts book is organized in sections according to parts • Hsg - Housing
servicing requirements. Use the Contents or page headings and • Inv - Involute
colored tabs to find information.
• IASS - In Axle Speed Sensor
• Use this book to order parts for your Dana® Spicer® Axle.
• ABS - Antilock Brake System
• For convenience, part numbers have been included for all
pieces of the carrier assembly. Some of these parts, such as the • N/A - Not Applicable
carrier and caps, are serviced only in kits or assemblies. Part • Str - Straight
numbers are for your reference only. Those parts not serviced
separately are identified with NSS. Illustrations
Kits and Assemblies • Illustrations show parts in assembly groups.
• Kits and Assemblies contain groups of individual or assembled • Item numbers on illustrations correspond with parts listings on
parts developed for optimal replacement or repair of a service pages that accompany the drawings.
problem. • Notes are included on illustrations where needed.
• Kits and Assemblies are shown with applicable parts groupings Parts Listings
in the parts listing.
• Parts listings are defined by parts groupings and are broken
• See the Appendix for detailed information concerning kits down by service assemblies.
applicable to this model.
• Parts Listings identify a part for servicing with the following
Abbreviations categories:
• AR - As Required - Parts that vary in quantity with each axle. • Item - corresponds with numbers on illustrations for part
Example: shims identification
• NSS - Not Serviced Separately - Items which can only be • Part Name - specifies part name or description
purchased in sets, kit form or service assemblies. Example:
brake shoes. • Quantity (Qty) - quantity required for assembly
• RH/LH - Right Hand/Left Hand - Determined as viewed from • Current Part - service part numbers are broken down by
behind the vehicle looking forward. model, type or other applicable information
• “RTV” - Gasket Compound - Formed-in-place gasket sealer. It • Notes - define unique characteristics or replacement notes
is recommended for use on all surfaces requiring a gasket. • Kits / Assy’s Where Used - indicates Kits or Assemblies that
• Assy - Assembly contain a particular part
2
General Information
Model Identification
Locating Model Designation Information
• Axle Model Identification, Part Number and Serial Number are located on a tag at the axle centerline. This information will help to locate
information in this book and to identify the correct parts for servicing.
Drive Axles
4
5
3
CUST. PART NO. Spicer®
SPEC. SERIAL NO.
2 6
MODEL PART NO. RATIO
MADE IN:
1 7
®recipS
.ON LAIRES
.ON TRAP .TSUC
SPEC.
Spicer®
SERIAL NO.
1 – Country or origin
2 – Axle model identification
3 – Specification number assigned to the
axle built by Spicer. Identifies all
component parts of the axle including
special OEM requirements such as
yokes or flanges.
4 – OEM part number assigned to the axle
build
5 – Carrier assembly serial number
assigned by the manufacturing plant
6 – Axle gear ratio
7 – Carrier assembly production or
service part number
3
Identification
Identification
CER
SPI
D S P - 40 - (P)
D – Tandem
Optional Lube Pump
Forward Axle
with Inter-Axle GAW Rating x 1000 lbs.
Differential
R – Tandem P – Premium
Rear Axle
Gearing
S – Single Reduction
D – Driver Controlled
Differential Lock
4
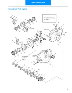
Forward Axle Parts Explode
3
2
1 Differential Lockup Ass'y
4 14 See Page 11.
6
68
7
8 67 67
13 1
Plain Half
With Pump
16 17
15 18
69
67
19
1 16
4
Flange Half
5
21 15
11 20
33
10 Without
9 See Ring Gear Pump
and Pinion
page 19
22
70
71
23
5
24
26
49
25 29
27
28 30 31
32
5
Forward Axle Parts Explode
63
65
64
34
35
36
37
42 38
43 39
40
44
41
45 55
57
48
49
50
51
56 52
53
46
61
47 54
59
60
62
58
See Yokes
and Flanges
Page 23
6
Forward Axle Parts List
IMPLEMENTATION DATES:
• DSP40, DSP41 June 3, 2002
• Pump Models No Change
• Diff-Lock Models No Change
7
Forward Axle Parts List
DSP40-(P) DDP40-(P)
Item Part Name Qty Remarks
DSP41-(P) DDP41-(P)
RING GEAR NUT & BOLT KIT 508652 508652 Includes items 20-21
20 Nut 16 126216 126216
21 Bolt 16 129686 129686
22 Pinion Pilot Brg 1 127484• 127484•
23 Pinion Brg Cone - Inner 1 129560 129560
24 Pinion Brg Spacer AR Pinion Bearing Spacer
pg. 15
25 Pinion Brg Cage & Cup Assy 1 129767 129767 Includes item 25-27
Cage #127488C NSS
26 Pinion Brg Cup - Inner 1 129561• 129561•
27 Pinion Brg Cup - Outer 1 12495• 12495•
28 Pinion Brg Cone - Outer 1 127535• 127535•
29 Capscrew 6 210115 210115
30 Pinion Helical Gear 1 127523 127523
31 Roll Pin 1 118807 118807
32 Slotted Pinion Nut 1 126182 126182
33 Output Shaft O-Ring 2 127545• 127545•
34 Output Shaft Brg Cup 1 127536• 127536•
35 Output Shaft Brg Cone 1 110812• 110812•
36 Output Shaft Side Gear 1 127645 127645
37 Snap Ring 1 85997• 85997•
38 Inter-Axle Diff Assy 1 128634 128634
39 Helical Side Gear & Bushing Assy 1 127495 127495
Gear #127494 NSS (Incls item 40)
40 Helical Gear Bushing 2 129371 129371 Replaces 127543
41 Helical Gear Thrust Washer 1 128702• 128702•
42 Lockout Sliding Clutch 1 127510 127510
43 INPUT SHAFT KIT / SHAFT 1 510394 510394 Includes Items 41, 43, 54
#128704 NSS
44 Oil Retainer 1 128700• 128700•
45 Input Shaft Bearing Cone 1 820643 820643
46 PDU Cover 1 130823 130823 See Note 2
Replaced 129572
47 Capscrew Long 11 210091 210091 See Note 2
48 Bearing Cup 1 1008912 1008912
• Included in Basic Overhaul Kit 510393 / 510399.
Note 2: On June 3, 2002, the design of the power divider cover changed. The original PDU covers (P/N: 129572) have 9 holes and require
9 fasteners. The current design PDU covers (P/N: 130823) have 11 holes and require the use of 11 long fasteners. The new 130823 PDU
covers now replace the 129572 covers in service.
• The 9-hole PDU cover will NOT work on a carrier machined with 11 holes.
• A new 11-hole PDU cover will adapt to a 9-hole carrier without modifications. Refer to Dana bulletin abib-0210 for further details.
8
Forward Axle Parts List
DSP40-(P) DDP40-(P)
Item Part Name Qty Remarks
DSP41-(P) DDP41-(P)
OIL SEAL & SHIM KIT 1 216224 216224 Includes items 49, 53 &
127592 Oil Seal Page 16
49 Shim.003 AR 127595• 127595•
Shim.005 127596• 127596•
Shim.010 127597• 127597•
Shim.020 127598• 127598•
Shim.030 127599• 127599•
50 Oil Seal-V-Ring 1 128703• 128703•
51 Input Brg Cover Assy - #129574C 1 129575 129575 Includes item 48
52 Bearing Cover Cap Screw 6 210115 210115
53 Oil Seal 1 127591• 127591•
54 Locknut 1 128049 128049 In 510394 Kit (M42x1.5)
55 Lube Trough 1 129577 129577
AIR LOCKOUT KIT - COMPLETE 1 510052 510052 Includes items 56, 57, 59, 61,
62
REPAIR KIT 1 510053 510053 Includes items 59, 61, 62
56 Shift Fork Assy - NSS 1 129856 129856 Order Kit 510870
57 Compression Spring 1 129859 129859
SHIFT FORK & COMPRESSION SPRING 1 510870 510870 Includes 56 and 57
KIT
58 Piston Cover Assy 1 129573 129573 Includes Cover #129578
& #62
59 O-Ring 1 129579 129579
60 Piston 1 129580 129580
61 O-Ring 1 210180 210180
62 Shipping Plug 1 599792 599792
63 Lube Pump Assembly 1 127534 127534 Pump Models Only
64 Capscrew 3 127551 127551 Pump Models Only
65 Drive Coupling - Service 1 128628 128628 Pump Models Only
66 Pipe Plug 4 90897 90897 Pump Models Only
67 Filter Screen Assy 1 127649 127649 Pump Models Only
68 Poppet Valve Plug 1 90897** 90897** Pump Models Only
69 Thrust Screw 1 126193 126193
70 Jam Nut 1 210184 210184
71 RTV - Sealant 1 107276S• 107276S• Not Illustrated
• Included in Basic Overhaul Kit 510393 / 510399.
** For models designed after 1997 (.375"-18 thread). Before 1997 use 19411.
9
Wheel Differential Lock Assembly
2
3
4
5
17
12 13 16
14
DDP40-(P)
DDP41-(P)
RDP40
Item Part Name Qty Remarks
RDP41
1 Fixed Curvic Clutch Gear 1 128627
2 Snap Ring 1 129433
3 SL Curvic Clutch Gear - 41 Inv spline 1 126840
4 Compression Spring 1 128614
SHIFT FORK ASSY 217465 Includes items 5-6
5 Shift Fork - 128609 NSS 1
6 Spring Pin 1 210020
7 Push Rod 1 128617
8 Piston Driver 1 128640
9 Set Screw 1 128618
10 Piston 1 128624
11 O-Ring 1 210180
12 Piston Cover 1 129425
13 Gasket 1 128643
14 Capscrew - Flg Head 2 128744
15 Capscrew 1 128274 M12 x 1.5
16 Washer 1 129034
17 Switch 1 129035
18 Wiring Harness 1 129047
10
Rear Axle Parts Explode
3
2 8
1 9
4
10
15
19
1 14
16
4 11
Flange Half (LH)
14
15 20
17 33
32
18
12
Plain Half (RH) 1
13 1 With Diff.
7 Lockup
6 33
5 32
21
See Ring Gear & Pinion
Page 19
22
23 25
29
24
26
27
30
See Yokes & Flanges
Page 23
28 31
11
Rear Axle Parts List
IMPLEMENTATION DATES:
• RSP40, RSP41 June 3, 2002
• Diff-Lock Models No Change
12
Rear Axle Parts List
RSP40 RDP40
Item Part Name Qty Remarks
RSP41 RDP41
RING GEAR NUT & BOLT KIT 508652 508652 Includes items 19-20
19 Nut 16 126216 126216
20 Bolt 16 129686 129686
21 Pinion Pilot Brg 1 127485• 127485•
22 Pinion Brg Cone - Inner 1 129562• 129562•
23 Pinion Brg Spacer AR Pinion Bearing Spacer
pg. 15
24 Pinion Brg Cage & Cup Assy 1 129768 129768 Includes items 24-26
Cage #127481C NSS
25 Pinion Brg Cup - Inner 1 129561• 129561•
26 Pinion Brg Cup - Outer 1 12495• 12495•
27 Pinion Brg Cone - Outer 1 12496 12496
28 Capscrew 6 210115 210115
OIL SEAL & SHIM KIT 216225 216225 Includes items 29-30, 34
29 Shim.003 AR 127595 127595
Shim.005 127596• 127596•
Shim.010 127597• 127597•
Shim.020 127598• 127598•
Shim.030 127599• 127599•
30 Oil Seal 1 127591• 127591•
31 Pinion Nut 1 127589 127589 M36 x 1.5
32 Thrust Screw 1 126193 126193
33 Jam Nut 1 210184 210184
34 RTV - Sealant 1 107276S• 107276S• Not Illustrated
• Included in Basic Overhaul Kit 510398 / 510400.
NSS - Not Sold Separately
13
Bearing Spacers
Bearing Spacers
DSP40-(P), 41-(P) RSP40, 41
DDP40-(P), 41-(P) RDP40, 41
Part Number Spacer Thickness Part Number Spacer Thickness
129079 .797 91552 .623
129080 .798 91553 .624
129081 .800 91554 .625
129082 .801 91555 .626
129083 .802 91556 .627
129084 .803 91557 .628
129085 .804 91558 .629
129086 .806 91559 .630
129087 .807 91560 .631
129088 .808 91561 .632
129089 .809* 91562 .633
129090 .810* 91564 .634*
129091 .811* 91566 .635*
129093 .812* 91568 .636*
129097 .814* 91572 .637*
129099 .815* 91576 .638*
129101 .816* 91580 .639*
129103 .817* 91584 .640*
129105 .818* 91588 .641*
129107 .819* 91592 .642*
129109 .820* 91596 .643*
129111 .821 91600 .644*
129113 .822 91602 .645
129115 .823 91604 .646
129117 .824 91606 .647
129119 .825 91608 .648
129120 .826 91610 .649
129121 .828 91611 .650
129122 .829 91612 .651
129123 .830 91613 .652
129124 .831 91614 .653
129125 .832 91615 .654
129126 .833 * Most Popular
* Most Popular
14
Output Shaft & Axle Housing Parts Explode
17
See Yokes and Flanges Page 23
18
19
20 14
21 13
21
20
22
16
9, 11 XX
9, 11 XX
7
9, 11
XX
XX XX
XX 9, 11
XX XX
4 5
3 10
2
12
9
10
8 11
15
Output Shaft & Axle Housing Parts List
16
Carrier Mounting Flange Design Change
17
Carrier Mounting Flange Design Change
*Dana models with Wheel Differential Lock and Lube Pump options
do not have "Thick Flange" carriers as of this publication. The
upgrade for these particular models will take place first quarter
2003.
18
Carrier Mounting Flange Design Change
19
Axle Shafts
Axle Shafts
Axle shafts are used in “sets”, have unequal shaft lengths and may be “location specific” or “Wheel Equipment specific”.
DO NOT MISPLACE AXLE SHAFTS FROM THEIR INTENDED LOCATION.
20
Gear & Pinion Kits
D - Forward Axle
DSP/DDP40, DSP/DDP41
Pinion Nut Part No. 126182
Forward Axle Service Gear Kits
Original For Service Order
Ring Gear Size (in.)
Ratio Gear (NSS) Original Pinion (NSS) Tooth Combo Kit Part No.
2.64 127387 127439 37/14 211462 14.9
2.85 127388 127440 37/13 211463 15.4
2.93 129531 129532 41/14 509423 15.4
3.08 127388 129716 37/12 510104 15.4
3.25 127389 130120 39/12 510105 15.4
3.36 127388 130121 37/11 510106 15.4
3.55 127389 130122 39/11 510107 15.4
3.70 127388 130123 37/10 510108 15.4
3.90 127389 130124 39/10 510109 15.4
4.11 127388 130125 37/9 510110 15.4
4.33 127389 130126 39/9 510111 15.4
4.63 127390 129733 37/8 510112 15.7
4.88 127391 129735 39/8 510113 15.7
5.29 127390 129816 37/7 511894 15.7
5.57 127391 129820 39/7 512147 15.7
6.17 127390 129843 37/6 510462 15.7
6.50 127391 127454 39/6 511571 15.7
Service Kit Identification Chart - Forward Axle
Service Gear/Pinion Kit Gear Part No. in Svc Kit (NSS) Pinion Part No. in Svc Kit (NSS)
211462 127387 127439
211463 127388 127440
509423 129531 129532
510104 129717 129716
510105 129721 129719
510106 129723 129722
510107 129721 129725
510108 129723 129727
510109 129721 129729
510110 129723 129730
510111 129721 129732
510112 129734 129733
510113 129736 129735
511894 129815 129816
512147 129819 129820
510462 129734 129843
511571 129736 127454
21
Gear & Pinion Kits
R - Rear Axle
RSP/RDP40, RSP/RDP41
39-1.95" Inv Spline
Pinion Nut Part No. 127589
Rear Axle Service Gear Kits
For Service Order Kit Ring Gear Size
Ratio Original Gear (NSS) Original Pinion (NSS) Tooth Combo Part No. (in.)
2.64 127380 127420 37/14 211478 14.9
2.85 127381 127421 37/13 211479 15.4
2.93 129534 129533 41/14 509424 15.4
3.08 127381 129737 37/12 510114 15.4
3.25 127382 130127 39/12 510115 15.4
3.36 127381 130128 37/11 510116 15.4
3.55 127382 130129 39/11 510117 15.4
3.70 127381 130130 37/10 510118 15.4
3.90 127382 130131 39/10 510119 15.4
4.11 127381 130132 37/9 510120 15.4
4.33 127382 130133 39/9 510121 15.4
4.63 127383 129748 37/8 510122 15.7
4.88 127384 129750 39/8 510123 15.7
5.29 127383 129818 37/7 511518 15.7
5.57 127384 129822 39/7 511519 15.7
6.17 127383 129844 37/6 510463 15.7
6.50 127384 127435 39/6 511573 15.7
Service Kit Identification Chart - Rear Axle
Service Gear/Pinion Kit Gear Part No. in Svc Kit (NSS) Pinion Part No. in Svc Kit (NSS)
211478 127380 127420
211479 127381 127421
509424 129534 129533
510114 129783 129737
510115 129740 129739
510116 129742 129741
510117 129740 129743
510118 129742 129744
510119 129740 129745
510120 129742 129746
510121 129740 129747
510122 129749 129748
510123 129751 129750
511518 129817 129818
511519 129821 129822
510463 129749 129844
511573 129751 127435
22
Exchange Carriers - Single Reduction
RSP40 / RSP41
For Service Use Exchange
Ratio Spline
Carrier
2.64 41 Inv 676029
2.93 41 Inv 676030
3.08 41 Inv 676031
3.25 41 Inv 676032
3.36 41 Inv 676033
3.55 41 Inv 676034
3.70 41 Inv 676035
3.90 41 Inv 676036
4.11 41 Inv 676037
4.33 41 Inv 676038
4.63 41 Inv 676039
4.88 41 Inv 676040
5.29 41 Inv 676041
5.57 41 Inv 676042
6.17 41 Inv 676043
6.50 41 Inv 676044
23
Exchange Carriers - Single Reduction
RDP40 / RDP41
For Service Use Exchange
Ratio Spline
Carrier
2.64 41 Inv 676013
2.93 41 Inv 676014
3.08 41 Inv 676015
3.25 41 Inv 676016
3.36 41 Inv 676017
3.55 41 Inv 676018
3.70 41 Inv 676019
3.90 41 Inv 676020
4.11 41 Inv 676021
4.33 41 Inv 676022
4.63 41 Inv 676023
4.88 41 Inv 676024
5.29 41 Inv 676025
5.57 41 Inv 676026
6.17 41 Inv 676027
6.50 41 Inv 676028
24
Yokes & Flanges
DSP40/RSP40 Series
Forward Axle - Input / 44-2.25 Inv Spline
Yoke & Slinger Series Joint Angle Style Dim. A Dim. B Dim. C Vendor P/N
210801 92N N/A Comp. 4.03 ----- ----- 92NYS36-75A
210831 SPL170 25 X 5.27 2.17 6.46 170-4-201-1X
210833 SPL250 25 X 5.49 2.36 6.42 250-4-81-1X
210869 RPL25 24 X 4.81 ----- 8.36 25WYS36-1A
25
Oil Seal Installation Tools
Oil Seal
Driver Installation Kit
217414
D-Input
Use 126917
126917
D-Output 126917
Use 126917 and 128706
128706
R-Pinion
Use 126917
126917
26
Copyright Eaton and Dana Corporation,
2002. EATON AND DANA CORPORATION
hereby grants its customers, vendors, or
distributors permission to freely copy,
reproduce and/or distribute this document
The Roadranger® System is an unbeatable combination of the best
in printed format. THIS INFORMATION IS
NOT INTENDED FOR SALE OR RE-
products from Eaton and Dana – partnering to provide you the most
SALE, AND THIS NOTICE MUST REMAIN advanced, most trouble-free drivetrain in the industry. And it’s backed by
ON ALL COPIES. the Roadrangers – the most experienced, most expert, most accessible
drivetrain consultants in the business.
For spec’ing or service assistance, call 1-800-826-HELP (4357) 24 hours
a day, 7 days a week, (Mexico: 001-800-826-HELP (4357)) for more time
on the road. Or visit our web site at www.roadranger.com.
AXIP-0240
01/03 PDF
Printed in USA









