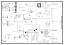
Diagramas Electricos de Qute
Diagramas Electricos de Qute
& IGNITION CIRCUIT
ECU
DT351401
4 AUX STARTER RELAY 1 COIL
50 BATTERY GROUND 3
51 BATTERY GROUND 1
52 BATTERY GROUND 2
40 CLUTCH SWITCH I/P
9 IGNITION SWITCH
46 STARTER INPUT
R/G Br/B LG W/R Y/G R/G B/Y B/Y B/Y Br/W B B/R
W/G
B/Y B/Y B/Y
IGNITION_lOCK CLUTCH_SWITCH EARTH MAGNETO-ASSEMBLY
BF 401402 BF101404
BF351021 REGULATOR _UNIT
BF402003 AUX_STR_RELAY_3
JL403000
ECU_EARTH
Y/G B/Y REGULATOR _GND
CAPACITOR
B/Y
Y/C
1
W/R B/Y
B/Y B/Y
Y/G B/Y
1
3
2
5
4
1
2
1
2
Y Y Y R R B/Y B/Y
CHASSIS_EARTH ENGINE_EARTH
Y/R R/Y V/B R/G
Y Y Y R R
1
2
2
ON START
CONTACT I/P ACC R/Y
O/P O/L
R 2
3
1
R/W
1
Y Y Y R R
R/W R O/L R/Y
4
B/Y
B/Y B/Y
3
4
LG
2
V/B 1
9 9
6 6 1
R/W R/W
8 8
7 7
6 6
5 5
4 4 Neutral Indicator (6) On console
3 3 LG
2 2
1 1 Gear Indication Switch LG
R V/B Br/B
6
10A
40A
5A
R/W
R R R FUSE_BOX
R R R 2 2 R
F3
F1
F2
SP28 SP41
TRANS_DIODE_UNIT R R R
1 1
BF401430
1
R
3
R
2
R R/O R/O
Y/R Br B/Y Gr
R/O R R/W O/L Y/R Br B/Y Gr
2
4
1
1
1
6
4
7
5
9
8
4
1
R/O R/O
1
B/Y
2
R
6
LG
4
1
7
5
Y/G
2
2
R/O
SP42
W/Y R/O R Y G/Y R/W Gr/Y Br W/B O O/L
R
1
R R
Y/G R/Y R R B
1
W/Y R/O R G/Y R/W Gr/Y Y Br W/B O O/L
I/P I/P
M
4
5
2
3
1
5A 30A
6 1
15A 15A
5 2
10A 10A
BATTERY B
1
4 3 BF401811
20A 10A
7 8
STARTER_MOTOR
STARTER _RELAY
BF351601 JL403000
FUSE_BOX_ASSEMBLY ENGINE_GROUND
BF402273
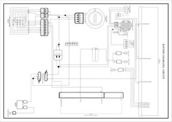
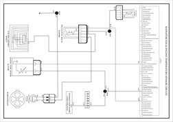
BATTERY CHARGING CIRCUIT
ECU
DT351401
39 CRANK SHAFT SENSOR
27 CRANK SHAFT SENSOR
50 BATTERY GROUND 3
51 BATTERY GROUND 1
52 BATTERY GROUND 2
9 IGNITION SWITCH
4
1
CAPACITOR
B/Y B/Y B/Y
2
1
Y/C R B/Y Gr
W/R B/Y B/Y B/Y
W/R B/Y
Y Y Y R R B/Y B/Y
1
2 8 NC
1
2
Y Y Y R R REGULATOR_EARTH
1
2
2
2
3
1
1
B/Y
Y Y Y R R G/W
B/Y B/Y
ECU_EARTH
IGNITION_lOCK
BF 401402
20 Battery (+ve)
R/W
G/W
INSTRUMENT_CONSOLE_ASEMBLY
9
9
BF402404
G/W
ON
CONTACT START
I/P ACC R/Y
O/P R O/L
R/W
10 Ground
G/W
4
6
6
4
R/W O/L 5 5
R
G/Br
4 4
3 3
WR
W
2 2
1 1
1 Supply Ignition ON
Br
R R
R R R 2 2 R
R
SP28
SP 26 R
1 1
R R
R/O R R/W O/L
R Br/B
1
2
1
2
2
3
1
6
4
7
5
9
8
6
10A
40A
5A
1
2
7
1
8
9
6
2
5
3
FUSE_BOX
F3
F1
F2
W/Y R/O R Y G/Y R/W Gr/Y Br W/B O O/L
3
R R/O R/O
W/Y R/O R G/Y R/W Gr/Y Y Br W/B O O/L
I/P I/P R B
1
5A 30A
6 1
15A 15A
5 2
10A 10A
4 3 BATTERY B
BF401811
1
20A 10A
7 8
FUSE_BOX_ASSEMBLY
BF402273 ENGINE_GROUND
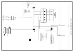
TRANS_DIODE_UNIT CIRCUIT
ECU
DT351401
40 CLUTCH SWITCH I/P
28 NEUTRAL SWITCH
LG Y/G
TRANS_DIODE_UNIT
BF401430
NEUTRAL OUTPUT
(2 POLE WHITE COUPLER)
SP31
LG LG LG GEAR_INDICATOR_SWITCH
BF351803
LG
LG
Y/R Br B/Y Gr
Y/R Br B/Y Gr
LG Coupler
2
4
1
4
1
CONSOLE (6)
NEUTRAL INDICATOR
R B/Y LG
INSTRUMENT CLUSTER
Y/G
SP29
Y/G R SP41
Y/G Y/G
R
SP40
CLUTCH_SWITCH
Y/G BF101404
5
4
6
2
3
1
5
1
Y/G
Y/G
2
2
1
B R/Y R V/B Br/B
5
4
6
B R/Y
10A
40A
5A
FUSE_BOX
F3
F1
F2
1
3
STARTER _RELAY R R/O R/O
JN351604
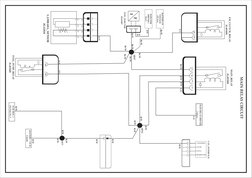
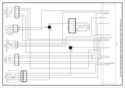
MAIN RELAY CIRCUIT
MAIN_RELAY
EM_CLUTCH_RELAY
JL403000
JL403000
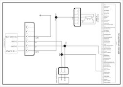
CAN_INTERFACE
CHASSIS GND
+ VB SUPPLY
CAN H1
CAN L1
L/G
3
1
5
4
6
3
2
1
F 2
Br/W
SP47 R/W R/W
Br/W
I 1 Br/W
FUEL_INJECTOR Br/W Br/W
JG611007
R/W
9
9
Br/W
R/W
3
4
1
2
4
1
2
3
B Gr W W
B Gr W W
3
4
1
2
R/W
R/W SP27
Br/W R/W
R/W
LAMBADA_SENSOR
5
3
JG11010
R/W
BATTERY + VE 20
Console
R/W
FUEL_PUMP_RELAY FUSE BOX- 1
JL403000 15A Fuse No. 5
Br/W
2 1 SPARE
2 MAIN RELAY DRIVER
5
MAIN_RELAY
B/Y
3 MIL INDICATION
SP49
JL403000
4
4 AUX STARTER RELAY 1 COIL
3 5 INJECTOR DRIVER 1
B/Y
1 6 TPS (+3.3V) SUPPLY
SENSOR SUPPLY +5V
7 (ROS, SS, MAP, MAT)
8 REST TANK
9 IGNITION SWITCH
Br/W
10 TPS SENSOR 1
EM_CLUTCH _RELAY
RADIATOR FAN & ENGINE TEMPERATURE SENSOR CIRCUIT
1 11 SPARE
12 FUEL LEVEL SENSOR
JL403000
3 13 SPARE OUTPUT
FUSE_BOX_ASSEMBLY
Br/W
4 14 LAMBADA HEATER
SP47
15 SPARE (CANISTER PURGE DRIVER)
BF402273
5 16 SPARE
20A
10A
15A
5A
Pi
7
30A
10A
1
8
Gr/Y
DT351401
28 NEUTRAL SWITCH
ECU
Pi/L
Pi/L
29 SPARE
2 30 ENGINE TEMP SENSOR GROUND
JG351400
31 LAMBADA SENSOR
32 SIDE STAND SWITCH
Y/W
Y/W
42 MANIFOLD PRESSURE SENSOR GND
SIDE STAND / ROLL OVER SWITCH GND
Y/W
Y/W
43 LAMBADA SENSOR +
44 ENGINE TEMP INPUT
RADIATOR FAN
SP
45 VEHICLE SPEED SENSOR
Instrument Console assembly
Y/W
1 1
48
46 STARTER INPUT
B/Y
EM_CLUTCH
B/Y
B/Y
2 2
Coolant Temp Sensor
BF601406
G/Pi
3 3 48 CAN - VE
1 1
Pi
Pi
Pi
Y/W
50 BATTERY GROUND 3
Y/W
5 5
51 BATTERY GROUND 1
(11)
6 6
52 BATTERY GROUND 2
53 BATTERY INPUT VOLTAGE
54 UNMOUNTED
55 IGNITION COIL DRIVER 1
56 IGNITION COIL DRIVER 2
G/Y L/B
STEPPER_MOTOR
1
JG611205
4
5 INJECTOR DRIVER 1
Gr/W
6 TPS (+3.3V) SUPPLY
SENSOR SUPPLY +5V
3 7 (ROS, SS, MAP, MAT)
G/R
2
G/Y
10 TPS SENSOR 1
TPS, INJECTOR, TMAP, STEPPER MOTOR, LAMBADA SENSOR CIRCUIT
2
Br/W
L/R
5 14 LAMBADA HEATER
MAIN_RELAY
Br/W
JL403000
4
R/W R/W
Br/W Br/W
F 2
3
SP47
B/W
I
Br/W
1
1
FUEL_INJECTOR
JG611007 W/O 22 TMAP PRESSURE SENSOR
G
25 STEPPER DRIVER D
THROTTLE_POSITION_SENSOR
L/B Gr/W
26 STEPPER DRIVER C
B/G R/B
DT351401
3
ECU
JG351804
B/G
2
1
B/G
G/Y
31 LAMBADA SENSOR
B/G
SP50
B/G
G/Y
4
W/O 37 STEPPER DRIVER A
TMAP_SENSOR
3 38 STEPPER DRIVER B
JG351805
G/R
P
R/L
U
2
G
Y/B
1
Y/B 42 MANIFOLD PRESSURE SENSOR GND
SIDE STAND / ROLL OVER SWITCH GND
43 LAMBADA SENSOR +
L/Y
LAMBADA_SENSOR
4 4
4
L/Y B/G L/R Br/W
B
3
JG11010
3
3
Gr
Gr
2
2
2
W
1 1
1
W
W
1 SPARE
2 MAIN RELAY DRIVER
3 MIL INDICATION
4 AUX STARTER RELAY 1 COIL
W/L
5 INJECTOR DRIVER 1
6 TPS (+3.3V) SUPPLY
FAREMETER_DIGITAL
1
SEN- O/P B
W/BR
DIGITAL
W/BR W/L
W/BR
W/BR
W/BR
8 REST TANK
BF403402
9 IGNITION SWITCH
2 2
2
W/L
SEN- O/P A
W/L
W/L
SENSOR O/P 10 TPS SENSOR 1
SP 17
11 SPARE
3 3
FAREMETER
+12V O
O
W/L
17 SPARE (DOWNSTREAM OXYGEN HEATER)
18 SIDE STAND INDICATION
VEHICLE SPEED SENSOR CIRCUIT
19 FUEL PUMP RELAY
20 FUEL CONSUMPTION
21 ENGINE SPEED OUTPUT
22 TMAP PRESSURE SENSOR
23 ROLL OVER SWITCH
24 TMAP SENSOR TEMPREATURE
VEHICLE_SPEED_SENSOR
25 STEPPER DRIVER D
26 STEPPER DRIVER C
4 4
SP 40
W/BR OUTPUT-3 W/BR W/BR 27 CRANK SHAFT SENSOR
DT351401
BF351809
28 NEUTRAL SWITCH
ECU
3 3
B/Y GROUND B/Y B/Y
L/W
29 SPARE
1 1
L/W OUTPUT-A L/W L/W 30 ENGINE TEMP SENSOR GROUND
L/W
IGN O/P R/W R/W
2 2
B/W 31 LAMBADA SENSOR
12V SUPPLY 32 SIDE STAND SWITCH
33 DIGITAL SPARE INPUT
34 K - LINE
35 APP CAN - (UNMOUNT)
36 CAN + VE
37 STEPPER DRIVER A
38 STEPPER DRIVER B
39 CRANK SHAFT SENSOR
40 CLUTCH SWITCH I/P
SP 19
41 SPARE
42 MANIFOLD PRESSURE SENSOR GND
SIDE STAND / ROLL OVER SWITCH GND
43 LAMBADA SENSOR +
44 ENGINE TEMP INPUT
L/W
45 VEHICLE SPEED SENSOR
R/W
46 STARTER INPUT
4
47 APP CAN + (UNMOUNT)
FUSE_BOX_ASSEMBLY
5 48 CAN - VE
BF402273
10A
15A
5A
7
6
50 BATTERY GROUND 3
3
SP 46
51 BATTERY GROUND 1
15A
10A
30A
10A
1
8
2 52 BATTERY GROUND 2
B/Y
54 UNMOUNTED
B/W
B/W
B/W
SP33
5
MAIN_RELAY
8 REST TANK
9 IGNITION SWITCH
JL403000
4 10 TPS SENSOR 1
R/W
11 SPARE
R/W
3 12 FUEL LEVEL SENSOR
13 SPARE OUTPUT
1 14 LAMBADA HEATER
15 SPARE (CANISTER PURGE DRIVER)
4 16 SPARE
17 SPARE (DOWNSTREAM OXYGEN HEATER)
18 SIDE STAND INDICATION
19 FUEL PUMP RELAY
5 20 FUEL CONSUMPTION
21 ENGINE SPEED OUTPUT
CAN INTERFACE CIRCUIT
22 TMAP PRESSURE SENSOR
CHASSIS GND 6 23 ROLL OVER SWITCH
B/Y 24 TMAP SENSOR TEMPREATURE
CAN_INTERFACE
25 STEPPER DRIVER D
3 26 STEPPER DRIVER C
CAN L1 27 CRANK SHAFT SENSOR
DT351401
Y
SP44
28 NEUTRAL SWITCH
ECU
29 SPARE
2
L
CAN H1 30 ENGINE TEMP SENSOR GROUND
L
L
31 LAMBADA SENSOR
L
32 SIDE STAND SWITCH
Y
35 APP CAN - (UNMOUNT)
SP45
36 CAN + VE
L
Y
37 STEPPER DRIVER A
38 STEPPER DRIVER B
39 CRANK SHAFT SENSOR
40 CLUTCH SWITCH I/P
41 SPARE
42 MANIFOLD PRESSURE SENSOR GND
SIDE STAND / ROLL OVER SWITCH GND
43 LAMBADA SENSOR +
44 ENGINE TEMP INPUT
45 VEHICLE SPEED SENSOR
Y
46 STARTER INPUT
CAN_TERMINATION_UNIT
Y
49 RADIATOR FAN RELAY
1
2
50 BATTERY GROUND 3
51 BATTERY GROUND 1
52 BATTERY GROUND 2
53 BATTERY INPUT VOLTAGE
HIGH
LOW
54 UNMOUNTED
55 IGNITION COIL DRIVER 1
56 IGNITION COIL DRIVER 2
FUEL PUMP & FUEL LEVEL SENSOR CIRCUIT
ECU
DT351401
19 FUEL PUMP RELAY
W/L
MAIN_RELAY
Instrument Console Assembly
JL403000
No - 3 - (Fuel level sensor)
Instrument Council Assembly G/R
20 - Battery (+ve)
R/W
5
G/R
6
Br/W
6
G/R
47
SP Br/W
Br/W SP40
1 B/Y
1
2 2 B/Y
3 3 SP49
4 4 B/Y B/Y
5 5
6 6
7 7
SP33 8 8 SP27
R/W R/W R/W R/W
9 9
R/W
R/W
R/W
R/W
R/W
G/R B/Y B/Y O/L
2
3
2
1
4
W/L Br/W O/L R/W
2
G/R B/Y B/Y O/L
R/W
4
5
2
3
1
2
10A
3
20A 10A
7 8
FUEL_PUMP_RELAY
JL403000 FUEL_PUMP_MODULE & LEVEL_SENSOR FUSE_BOX_ASSEMBLY
BF403002 BF402273








